船舶网络安全技术支持(E26)

详细信息
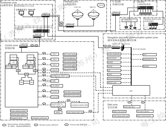
  •        随着船舶智能化、数字化升级,网络安全已成为航运业安全运营的核心诉求,国际船级社协会(IACS)发布的UR E26《船舶网络韧性》强制标准,更明确了2024年7月1日后新造船需严格遵循该规范,未达标船舶将无法通过检验。我们聚焦船舶行业核心需求,专业为船舶客户提供全方位E26网络安全韧性技术支持,助力客户实现合规运营、筑牢网络安全防线。
          为保障服务质量的专业性与可靠性,我们深度携手LR(英国劳氏船级社)、BV(法国船级社)、ABS(美国船级社)、DNV(挪威船级社)等全球知名船级社,建立长期稳定的合作机制。依托各船级社的严苛标准与专业技术资源,我们的服务流程、技术方案均经过船级社严格审核,同步对接各船级社网络安全认证规范,如LR CyberSecure+ Level 3、DNV IEC 62443-3-3等标准要求,确保服务完全契合行业规范与国际准则。